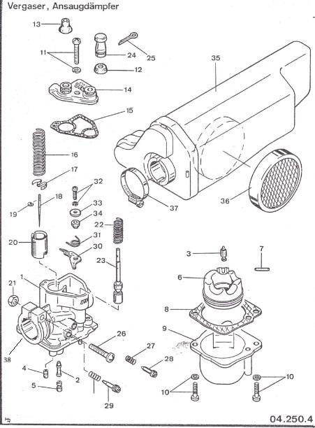
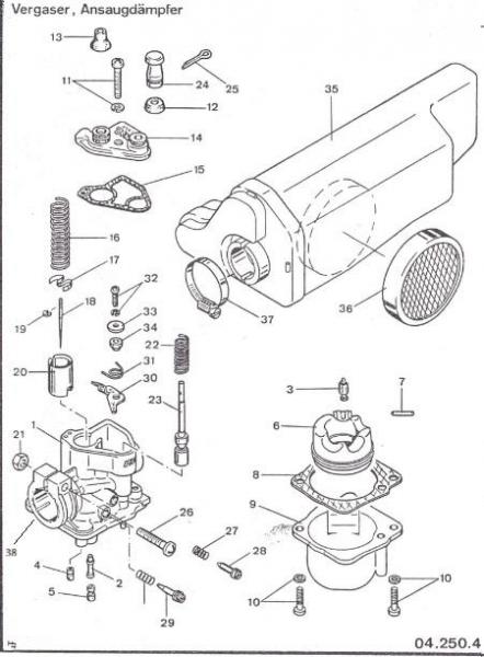
Zündapp Mikuni VM 13 Ersatzteile
Zündapp Mikuni VM 13 Ersatzteile

Zündapp Mikuni VM 13 Ersatzteile

Art.Nr.:
MikuniVM13Teile-250-​04.903
Lieferzeit:
ca. 5-7 Werktage ca. 5-7 Werktage (Ausland abweichend)
16,99 EUR

inkl. 19% MwSt. zzgl. Versand

Kunden, welche diesen Artikel bestellten, haben auch folgende Artikel gekauft:

Zündapp Mikuni VM 13 Haupt Düse - 62,5 - 250-04.909

Passend bei folgenden Fahrzeugen (achten Sie darauf das wirklich ein Mikuni verbaut ist, manche Fahrzeuge wurden auch mit dem 10er oder 15er Bing Vergaser ausgeliefert)
 

  • ZR 10 Typ 447
  • ZR 20 Typ 447
  • ZR 20  Typ 447
  • ZB 22 Typ 447
  • ZS 25 Typ 460
  • ZL 25 Typ 460
  • ZX 25 Typ 460
  • X 25 Typ 460
  • ZE 40 Typ 460
  • ZA 40 Typ 460
  • ZA 25 Typ 460
  • ZD 10 20 25 40 50 Typ 446
5,49 EUR
Zündapp Mikuni VM 13 Leerlauf Düse - 40 - 250-04.905

Zündapp Ersatzteilenummer : 250-04.905

Passend bei:

  • ZR 10 Typ 447
  • ZR 20 Typ 447
  • ZR 20  Typ 447
  • ZB 22 Typ 447
  • ZS 25 Typ 460
  • ZL 25 Typ 460
  • ZX 25 Typ 460
  • X 25 Typ 460
  • ZE 40 Typ 460
  • ZA 40 Typ 460
  • ZA 25 Typ 460
  • ZD 10 20 25 40 50 Typ 446
6,49 EUR
Zündapp BING 17 Ersatzteile
Zum bestellen der Ersatzteile bitte auf den Artikel klicken.
ab 1,85 EUR